
专注于北京朝阳电缆30年
地址:北京朝阳区小红门乡南四环肖村桥
电话:010-53368255
手机:13582276076
联系人:于经理
邮箱:351074510@qq.com
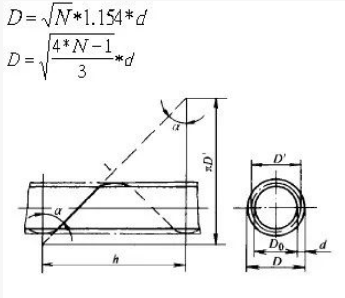
多根绞合导体绞合外径计算:

d----单根导体的直径
D---绞合后绞合导体外径
N---导体根数
上述两种方法中, 方法2比较适合束绞方式导体绞合外径计算
1、导体
W =0. 7854⨯d 2⨯n ⨯N ⨯ρ⨯K 1⨯K 2
d:导体单丝直径 mm
n:导体单丝根数
N:绝缘芯线根数
ρ:导体材料比重
K1:导体绞入系数
K2:绝缘芯线成缆绞入系数
W:导体重量 g/m 绞入系数
:※ K 1、K 2值:理论节径比:m '=h
D -d 实用节径比:m =h
D 单节距实长:l =h 2+[π(D -d )]2 绞入率:λ=l -h
h g /cm 3
绞入系数:K =lh

2、绝缘
a. 挤管式绝缘材料
W =π(D -t ) t ⨯N ⨯K ⨯ρ
b. 挤压式绝缘材料
W =[π(D -t ) t +k ⨯d 2]⨯N ⨯K ⨯ρ
D :绝缘外径 mm t :绝缘厚度 mm N :绝缘芯数
K :绝缘芯线成缆绞入系数(按上述导体材料计算中K 值的计算方法计算) k :外间隙嵌隙面积系数 d :导体单丝直径 mm ρ:绝缘材料比重 g /cm W:绝缘用料 g/m 注:多根细导体束绞时可按如下简化公式计算:
W =π(D -t ) t ⨯N ⨯K ⨯ρ⨯1. 01
3、带状绕包材料计算:
W =π(D +nt ) nt 1⨯ρ 1±k
G 1±k 假如带材单位面积重量已知,则可用下式计算:W =n π(D +nt ) nt
D :绕包前外径 mm n :包覆层数 t :带状材料厚度 mm
k :重叠或间隙系数 重叠:1-k 间隙:1+k G :每平方米带材重量 g ρ:带状材料比重 g /cm W :带材用量 g/m
4、带状纵包材料计算:
W =w ⨯t ⨯ρ
w :带材宽度 mm t :带材厚度 mm p :带材比重 g /cm
5、编织屏蔽材料计算
W =0. 7854⨯d 2⨯N ⨯K ⨯ρ
K =π(D +2d )]2+L 2
如已知屏蔽密度,按单向覆盖率计算:
从下表中查找屏蔽密度对应的单向覆盖率p ,然后代入下式计算 W =π2
2d (D +2d ) ⨯p ⨯1. 02⨯ρ
d :屏蔽丝单丝直径 mm D :屏蔽前外径 mm
p :屏蔽单向覆盖率
ρ:屏蔽丝材料比重 g /cm 3

6、护套材料计算:
a. 挤管式护套材料
W =π(D -t ) t ⨯ρ
b. 挤压式护套材料
W =[π(D -t ) t +k ⨯d 2]⨯ρ
D :护套外径 mm t :护套厚度 mm
k :外间隙嵌隙面积系数 d :单根绝缘芯线直径 mm ρ:护套材料比重 g /cm W:护套用料 g/m
1、导体:
0. 7854⨯d 2⨯n ⨯N ⨯K 1⨯K 2⨯ρ
W =k
d :紧压前导体单丝直径 mm n :导体单丝根数 N :扇形绝缘线芯根数
K1:导体绞入系数 一般取1.005~1.01 K2:成缆芯线绞入系数 一般取1.005~1.008 ρ:导体材料比重 g /cm3
注:如扇形电缆中有其它截面的线芯,导体总用量应加上其它截面的线芯材料重量。
2、绝缘(近似计算):
方法1:
W =[π(D -2t ) ⨯α360+(D -4t )]⨯t ⨯ρ
D :成缆外径 mm
两芯电缆:D=2(h+2t) 三芯电缆:D=2(h+2.154t) 四芯(4等芯,4+1):D=2(h+2.31t)
方法2:
两芯电缆:L=5.14(h+2t)
三芯电缆:L=4.094(h+2.154t) 四芯(4等芯,4+1):L=3.745(h+2.31t)
L:绝缘后线芯周长
W =π(L -t ) ⨯t ⨯ρ
W :绝缘用量 g/m
L :绝缘芯线周长 mm
t :绝缘厚度 mm a :扇形中心角 ρ:绝缘材料比重 g /cm
※ 材料比重:
铜:8.89 铝:2.7 钢:7.8 铜包钢:7.9 铜包铝3.4—4.0
PVC:1.35~1.50 LDPE: 0.92 HDPE:0.95 铜包钢:7.9 铜包铝:3.4—4.0
PEF(化学发泡材料):0.946 PP(聚丙烯) :0.97 PU(聚氨酯):1.21 氟化乙丙烯(FEP ):2.2 电缆麻:0.5 电缆纸:1.35 PP 绳(聚丙烯):0.55 XLPE:0.91~0.97
铝箔:1.8 聚酯带:1.37 棉布:0.55 棉纱:0.48 Nylon:0.97 3